Generic filters
Exact matches only
Search in title
Search in content
Search in excerpt
Filter by Custom Post Type
post
page
testimonials
acf-taxonomy
products
products
products
Filter by Categories
Uncategorized
Conveyor Guide Rails
UHMW/PE
Flexible Plastic Tubing
Rigid Plastic Tubing
HDPE & LDPE

ULTREX® UHMW/PE J-Legs

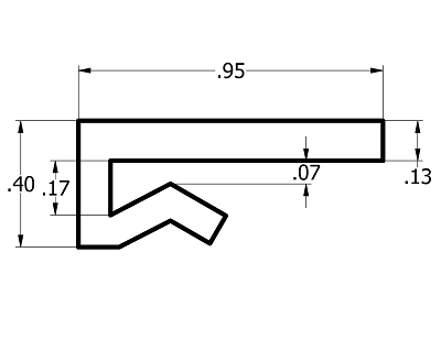
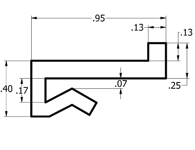
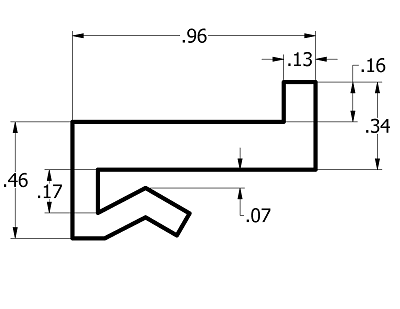
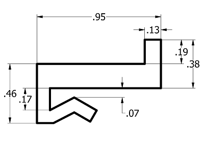
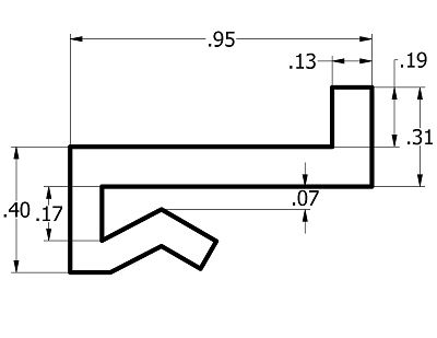
The Spiratex Co. offers a large variety of j-legs. Our j-legs provide belt and chain support, edge protection, and reduce drag by lowering the coefficient of friction. We extrude profiles with leg lengths ranging from .75’’ to over 3’’, for bar sizes of ⅛”, 3/16”, and ¼”. Our j-legs are stocked in natural UHMW/PE in 10’ & 20’ straight lengths, as well as 250’ and 500’ coils. However, they can easily be produced in any custom length, color, or UHMW/PE blend.

for 1/8" bar with 3/16" thick wear surface

for 3/16" bar with .090" thick wear surface

for 3/16" bar with 1/8" thick wear surface

for 3/16" bar with 3/16" thick wear surface

for 3/16" bar with 1/4" thick wear surface

for 1/4" bar with 3/16" thick wear surface

for 1/4" bar with 3/16" thick wear surface

Request a Quote

Download Our Material Selection Guide

Name